电容薄膜规(CDG)的测量下限值主要是看分辨率和零点稳定性,而温度变化会使零点稳定性产生较大的干扰。为了解决CDG的零点稳定性能,减少外界温度变化对测量的干扰,使用中,通常将传感器恒温控制在45 ℃。这时候,传感器所处的测量室与被测容器(温度一般为23 ±3 ℃) 产生较大的温差,从而产生了热流逸效应,这使CDG的传感器不能精确反映校准室的实际压强。
假定CDG连接在一个校准容器上,连接管道的直径为d 。当系统内的压强处于稳态时,CDG测量室内的气体压强为P1 ,温度为T1 ;校准室内的气体压强为P2 ,温度为T2 。当压强较高时,气体分子的平均自由程€λ远远小于d ,系统内气体分子处于粘滞流状态。当两室之间的气体压强处于平衡状态时,两室中虽然温度不同,但压强值相等,即

当压强较低时,气体分子的平均自由程€λ远远大于d ,系统内气体分子处于自由分子流状态。当平衡时,分子穿越两室的几率相等,则

Rk 称为克努曾值,因此可见,在低压强下,相连两室的温度不同导致压强不同,这样的现象即为CDG的热流逸现象。
当压强适中时,系统内气体分子处于过渡流(克努曾流) 状态, 热流逸效应使得p2/p1介于1 和根号下T2/T1值之间,即

为了确定这个的范围内压强比p2/p1的准确值, 国外很多学者进行过研究, 真空技术网也对此加以探讨。文中定义p2/p1为CDG的校准因子, 即CDG的示值压强除以校准室里的标准压强, 标准压强的测量和计算均根据文献进行了温度修正。
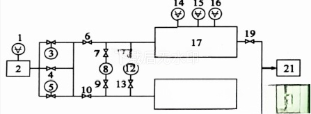
所有试验在一台静态膨胀式真空校准装置上进行,装置工作原理图如图1 所示。

静态膨胀式真空校准设备工作原理图
图1 静态膨胀式真空校准设备工作原理图
该设备通过直接比对以及一至三级膨胀,可以产生10- 5 Pa~105Pa的气体压强,最好校准范围在10-4Pa~104Pa 。直接比对法是将校准室17、18 抽至某一本底气体压强后,把石英规的测试口与17 或18 或17 加18 连通,关闭抽气阀门,通过放气阀向校准室注入气体,用石英规作为标准进行校准,石英规的最好量程为20kPa~100kPa 。一级膨胀法是将气体从3 或5 膨胀到17 或18 ,气体压强由设定值衰减10-2 (或10-3) 倍。二级膨胀法是将气体在一级膨胀的基础上,由二级取样小容器8 或12 在17 或18 中取样,向另一大容器18 或17 膨胀,初始气体压强衰减10 - 4~10 - 6倍。三级膨胀法是将气体在一级膨胀的基础上,由二级取样小容器8 或12在17 或18 中取样,然后将8 或12 隔离起来,将17或18抽空之后再封闭起来,用8 或12中的气体再次向17 或18 膨胀,最后将取样小容器8 或12 在17 或18 中取样,向另一大容器18 或17 膨胀,初始气体压强衰减10-6~10-9倍。实验用2.26 ×10 - 2 Pa~2.88×102Pa 的气体压强通过一级膨胀和二级膨胀即可得到。
将MKS真空计公司生产两只满量程133.33Pa 的绝压式电容薄膜规(ACDG) 和一只满量程1333.3Pa 的ACDG连接到校准室1上, 连接管道内径为d =4.76mm。实验气体是纯度为99.99 %的N2 、Ar和He 。
ACDG传感器由热控单元恒温控制到厂家事先设定好的温度T2=45 ℃。采用N2 、He 、Ar 三种气体实验时,校准室的温度分别为: (23.49 ±0.27) ℃、(21.78 ±0.20) ℃、(23.17 ±0.31) ℃。校准室的温度用12 只均匀分布在校准室外壁的Pt100 铂电阻温度计测量,可以瞬时采集温度数据,测量标准不确定度为0.01 ℃。实验的气体压强范围在2.26 ×10- 2 Pa~2.88 ×102Pa ,标准气体压强用一级膨胀和二级膨胀路径获得,实验中校准室本底气体压强始终低于8 ×10 - 6Pa。三只ACDG测量单一气体的热流逸曲线几乎相同,图2(a)、2(b)、2(c)显示了实验结果。

图2 热流逸效应实验结果
N2 在(23.49 ±0.27) ℃时的实验点(○) ; He 在(21.78 ±0.20)℃时的实验点(□);Ar 在(23.17 ±0.31)℃时的实验点(△) ; P2 为ACDG的示值压强; P1 为标准压强


电容薄膜真空计
皮拉尼真空计
真空开关
显示仪表
压力变送器
压力传感器
智能阀门定位器
电容薄膜真空计
皮拉尼真空计
真空开关
显示仪表
压力变送器
压力传感器
智能阀门定位器
致力于半导体制造、光伏、电子和包装以及专业工业应用提供基础技术解决方案